নরম সীল প্রজাপতি ভালভ
ফ্লো কন্ট্রোল ওয়েফার টাইপ বাটারফ্লাই ভালভ ইন্টিগ্রেশন স্ট্রাকচার ব্যবহার করে, এটি ইনপুট সিঙ্গেল (4 ~ 20 mA DC, 0 থেকে 10 v DC বা1-5 v) এবং সিঙ্গেল-ফেজ পাওয়ার দ্বারা পরিচালিত হতে পারে সরবরাহ, এটি শক্তিশালী ফাংশন, ছোট ভলিউম, হালকা এবং মনোরম, নির্ভরযোগ্য কর্মক্ষমতা, সহজ, বড় প্রবাহ ক্ষমতা, ইত্যাদি রয়েছে। ভালভ ব্যাপকভাবে খাদ্য, পরিবেশ সুরক্ষা, হালকা শিল্প, পেট্রোলিয়াম, কাগজ, রাসায়নিক, স্বয়ংক্রিয় নিয়ন্ত্রণ ব্যবস্থায় ব্যবহৃত হয়। শিক্ষাদান এবং গবেষণা সরঞ্জাম, শক্তি এবং অন্যান্য শিল্প।
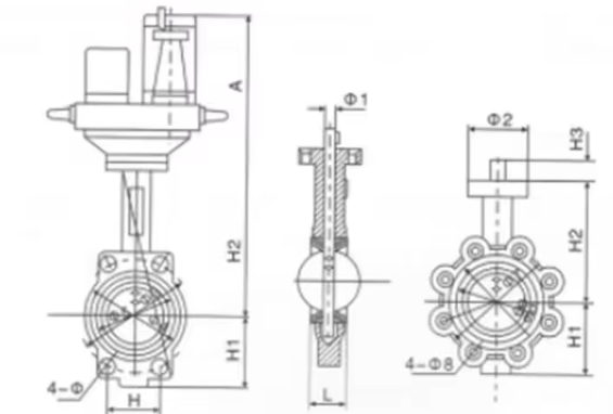
মৌলিক পরামিতি



ডিকেজে-ডি (ডিওয়াই-জে) সিরিজের বৈদ্যুতিক অ্যাকুয়েটর হল একটি বৈদ্যুতিক নতুন পণ্য যা বিদেশী উন্নত প্রযুক্তি শোষণ করে এবং নতুন বিদেশী প্রযুক্তি এবং নতুন ডিভাইস প্রয়োগ করে আমাদের প্ল্যান্টের সাধারণ টাইপের ডিকেজে বৈদ্যুতিক অ্যাকুয়েটরের ভিত্তিতে সফলভাবে তৈরি করা হয়েছে এবং এটির বুদ্ধিমান ফাংশন রয়েছে। নিয়ন্ত্রণ সার্কিট এবং প্রক্রিয়া একীকরণ সঙ্গে. DKJ-D(DY-J) টাইপ বৈদ্যুতিক অ্যাকচুয়েটর সরাসরি একটি কম্পিউটার বা 420mA বা 1-5V বিভিন্ন নিয়ন্ত্রক ইউনিট থেকে DCS গ্রহণ করতে পারে, সার্ভো অ্যামপ্লিফায়ারের অতিরিক্ত কনফিগারেশন ছাড়াই স্বয়ংক্রিয়ভাবে বিভিন্ন ড্যাম্পার, ভালভ, ব্যাফেল এবং অন্যান্য নিয়ন্ত্রক প্রক্রিয়া নিয়ন্ত্রণ করতে পারে , এবং এটি ব্যাপকভাবে পাওয়ার স্টেশন, ধাতুবিদ্যা, পেট্রোলিয়াম, রাসায়নিক এবং অন্যান্য শিল্পে প্রয়োগ করা যেতে পারে। DKJ-D (DY-J) সিরিজের বৈদ্যুতিক অ্যাকচুয়েটরের ফিল্ড ম্যানুয়াল ফাংশন রয়েছে, যাতে অ্যাকুয়েটরকে ক্ষেত্রের মধ্যে সামঞ্জস্য করা যায়। DFD টাইপ বৈদ্যুতিক ম্যানিপুলেটর সরবরাহ করা হলে, এটি দূরবর্তী নিয়ন্ত্রক সিস্টেমের "ম্যানুয়াল-স্বয়ংক্রিয়" এর অবিচ্ছিন্ন সুইচিং সম্পূর্ণ করতে পারে



পণ্য প্রদর্শনী

DKJ সিরিজের কোয়ার্টার-টার্ন ইলেকট্রিক অ্যাকুয়েটর হল শিল্প প্রক্রিয়া পরিমাপ এবং নিয়ন্ত্রণ ব্যবস্থার একটি টার্মিনাল নিয়ন্ত্রণ সরঞ্জাম। এটি সিস্টেম কন্ট্রোল সিগন্যালকে আউটপুট শ্যাফ্টের কৌণিক স্থানচ্যুতিতে রূপান্তর করতে পারে যাতে ভালভ থ্রটলিং অংশ বা অন্যান্য নিয়ন্ত্রক প্রক্রিয়ার অবস্থান নিয়ন্ত্রণ করতে পারে, তারপরে নিয়ন্ত্রিত মাধ্যমটিকে সিস্টেম প্রেসক্রিপটিভ স্ট্যাটাস অনুযায়ী পরিচালিত হতে দিন।

বৈদ্যুতিক অ্যাকচুয়েটরকে তার নিয়ন্ত্রণ বৈশিষ্ট্য সম্পর্কিত আনুপাতিক প্রকার এবং ইন্টিগ্রেশন টাইপে ভাগ করা যেতে পারে। সমানুপাতিক টাইপ অ্যাকচুয়েটরটি বৈদ্যুতিক সার্ভো এমপ্লিফায়ার এবং ইন্টিগ্রেশন অ্যাকচুয়েটর দ্বারা গঠিত। এটি আউটপুট শ্যাফ্টের ভ্রমণ দূরত্ব পরিবর্তন করতে আউটপুট শ্যাফ্ট অবস্থান প্রতিক্রিয়া সংকেতের সাথে সিস্টেম নিয়ন্ত্রণ সংকেত তুলনা করতে পারে এবং ইনপুট সংকেতের সাথে এটির একটি আনুপাতিক সম্পর্ক থাকতে পারে। ইন্টিগ্রেশন টাইপ অ্যাকুয়েটর সার্ভো মোটর, রিডুসার এবং পজিশন ট্রান্সমিটার দিয়ে তৈরি। এটি বৈদ্যুতিক ম্যানিপুলেটরের সাথে মিল করে ভালভ বা অন্যান্য নিয়ন্ত্রক প্রক্রিয়ার দূরবর্তী অপারেশন অর্জন করতে পারে।
গরম ট্যাগ: প্রবাহ নিয়ন্ত্রণ ওয়েফার epdm বৈদ্যুতিক প্রজাপতি ভালভ, চীন, নির্মাতারা, সরবরাহকারী, কারখানা, কিনতে, মূল্য, উদ্ধৃতি
